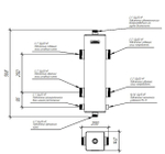
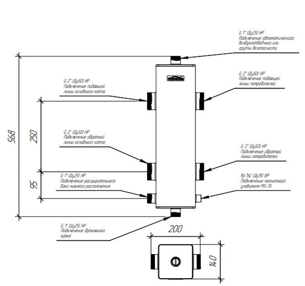
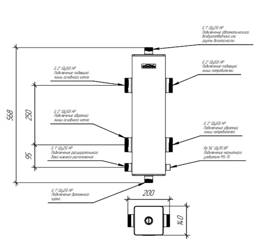
Гидравлический разделитель (гидрострелка) Gidruss GR-250-50 (G 2'' Ду-50 250 кВт) 11 00250 18
Описание:
- Материал изготовления - черная сталь.
- Покрытие - порошковая окраска эмалями европейских производителей.
- Область применения - бытовые котельные.
Разделительный модуль (гидравлическая стрелка) - это устройство, исключающее воздействие насосов потребителей тепла на котловые насосы, и наоборот. Позволяет чётко организовать работу многокотельной установки, её высокий КПД работы, помогает конденсационным котлам выходить на максимальную мощность и обеспечивает им длительный срок эксплуатации.
Гидрострелка GR-250-50 необходима в системах отопления до 2000 кв.м для обвязки каскада настенных котлов до 250 кВт или напольных до 200 кВт.
Отопительная система должна быть закрытой (без открытого доступа атмосферного воздуха к теплоносителю).
Максимальный расход теплоносителя через тракт разделительного модуля не должен превышать величину 11,0 м3/ч.
тация гидрострелки возможна в вертикальном или горизонтальном положении;
