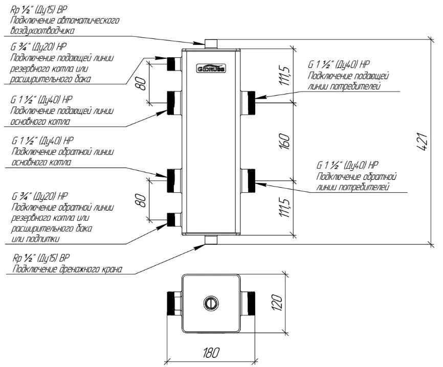
Гидравлический разделитель (гидрострелка) Gidruss GR-150-40 (G 1 1/2'' Ду-40 150 кВт) 11 00150 04
Описание:
- Материал изготовления - черная сталь.
- Покрытие - порошковая окраска эмалями европейских производителей.
- Область применения - бытовые котельные.
Разделительный модуль (гидравлическая стрелка) - это устройство, исключающее воздействие насосов потребителей тепла на котловые насосы, и наоборот. Позволяет чётко организовать работу многокотельной установки, её высокий КПД работы, помогает конденсационным котлам выходить на максимальную мощность и обеспечивает им длительный срок эксплуатации.
Гидравлические разделители Gidruss GR-150-40 необходимы в системах отопления до 1200 м² для обвязки двух напольных котлов до 120 кВт с внешним насосом или 3-4 настенных котлов общей мощностью до 150 кВт с возможностью подключения резервного электрокотла.
Отопительная система должна быть закрытой (без открытого доступа атмосферного воздуха к теплоносителю).
Максимальный расход теплоносителя через тракт разделительного модуля не должен превышать величину 11,0 м3/ч.
тация гидрострелки возможна в вертикальном или горизонтальном положении;
