Изолирующее соединение резьбовое (сгон) МАЛЕН СИ-32р ( Ду 32) предназначены для изолирования или электрического разделения участков наружных трубопроводов, транспортирующих неэлектропроводящую среду (природный или сжиженный углеводородный газ).
Преимущества:
-
Рабочая среда - среды, по отношению к которым применяемые материалы коррозионностойки
-
Давление PN - 16; 25; 40 кг/см²
-
Сопротивление изолятора - не менее 10 МОм
-
Климатическое исполнение по ГОСТ 15150-69*: У1 (-40°C ... +40°C); ХЛ1 (-60°C ... +40°C)
-
Материалы основных деталей корпус: ст 20, 09Г2С (для ХЛ1)
-
Класс герметичности - «A» ГОСТ Р 54808-2011
-
Тип присоединения к трубопроводу - резьбовое
-
Установочное положение - любое
-
Наружное антикоррозионное покрытие - Эпоксидно-полимерное INVERPUL MP BT FAST 331
-
Гарантийный срок - 12 месяцев
-
Срок службы - 15 лет
-
Изготовление и поставка по ТУ 3742-001-35506687-00.
- Прочная конструкция
- Используются современные материалы с высокими диэлектрическими характеристиками
- Устройства являются неразъемными и не требуют дополнительного обслуживания
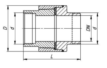
Изолирующий сгон – соединение, предназначенное для электрической изоляции соединений газовой системы.
Устанавливаются на вводе газопровода в здания, приборы потребления, а так же на вводах и выводах из земли.
Изделие представляет собой прочное, неразъемное соединение двух металлических патрубков с диэлектрической прокладкой между ними.
Устройство способно функционировать в широком температурном диапазоне от – 60 до 100 °С, не нуждается в дополнительном обслуживании и ремонте после установки и рассчитано на долгосрочную продолжительность работы даже при подземной незащищенной укладке газопровода.
Установка Изолирующего сгона производится после запорной арматуры.
